You are here:
DVB S2/S Satellite Tuner SoC White Box IP
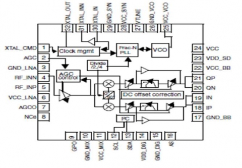
This satellite tuner is a direct-conversion (zero IF) receiver for digital TV Broadcasting. On the RF input, there is a variable gain, low-noise amplifier (VGLNA). The RF gain is monitored by an automatic gain control (AGC) circuit to ensure an optimal signal level for the two mixers. Each mixer, which down-converts the signal to the baseband, is followed by an AGCcontrolled VGA, a low-pass filter and a second VGA. The local oscillator (LO) signals are provided by an integrated fractional-N phase locked loop (PLL), which contains an on-chip voltage-controlled oscillator (VCO) meeting stringent phase noise requirements. The PLL loop filter is partly integrated. The LO frequencies are programmable between 950 MHz and 2150 MHz. The comparison frequency for the phase-frequency detector (PFD) is generated by dividing the crystal oscillator reference frequency. The crystal frequency may be within the range 15 MHz to 31 MHz depending on the application.
查看 DVB S2/S Satellite Tuner SoC White Box IP 详细介绍:
- 查看 DVB S2/S Satellite Tuner SoC White Box IP 完整数据手册
- 联系 DVB S2/S Satellite Tuner SoC White Box IP 供应商








