You are here:  
	
		
	
	
	
	
		
	
	
	
	
	
	
	
	
	
		
 
	
	    
	
		
		
			
		
		 
		
		
		
5.72 GHz to 15.04 GHz Low phase Noise Fractional-N Synthesizer
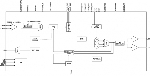
	The WEA615S55S is a wide band fractional – N frequency synthesizer with on Chip doubler implemented in ST BiCMOS55 process. It uses a 100 MHz to 250 MHz Crystal Input and generates a 5.72 GHz to 15.04 GHz frequency range with the integrated VCOs utilizing a 64 band auto-calibration system. It consists of a an Xtal oscillator, a frequency doubler, a Charge Pump, a low noise phase detector with lock detect indication, 5 bank of VCO, a Prescaler and a 16 to 24 bit MASH 1-1-1. The synthesizer is powered by a 1.2 V and 2.5 V supplies.
 
		
查看 5.72 GHz to 15.04 GHz Low phase Noise Fractional-N Synthesizer 详细介绍:
- 查看 5.72 GHz to 15.04 GHz Low phase Noise Fractional-N Synthesizer 完整数据手册
- 联系 5.72 GHz to 15.04 GHz Low phase Noise Fractional-N Synthesizer 供应商
Block Diagram of the 5.72 GHz to 15.04 GHz Low phase Noise Fractional-N Synthesizer
 
	Fractional-N Synthesizer IP
- TSMC GF Intel Samsung Fractional-N Frequency Synthesizer PLL
- Fractional-N ring and LC, DESKEW PLLs in FDSOI
- Fractional-N Frequency Synthesizer (PLL)
- High Performance Fractional-N RF Frequency Synthesizer PLLs for 5G, WiFi, etc
- High Performance Fractional-N RF Frequency Synthesizer PLL in UMC 40LP
- High Performance Fractional-N RF Frequency Synthesizer PLL in GlobalFoundries 22FDX for 5G, WiFi, etc







