You are here:
Temperature Sensor 1.8 V
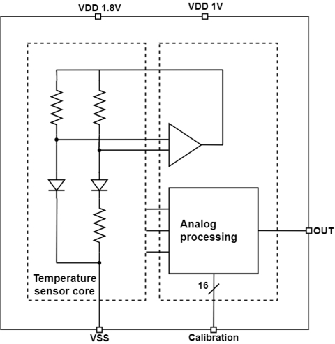
The WEA10TS45 temperature sensor operates from -40 oC to 140 oC and produces an output voltage from 0 to 1.2 V. The core of the sensor can be detached from the processing unit and placed to the silicon area of interest. The sensor has an absolute accuracy of +/- 5oC and after offset and gain calibration the maximum residual error is below +/-1.25 oC. The control is done through two 16 digital control signal bus in a linear way. The sensor operates from a supply of 1.8 V. It requires 1.0 V digital supply for the calibration control.
查看 Temperature Sensor 1.8 V 详细介绍:
- 查看 Temperature Sensor 1.8 V 完整数据手册
- 联系 Temperature Sensor 1.8 V 供应商
Block Diagram of the Temperature Sensor 1.8 V

Temperature IP
- PVT - Process, Voltage, and Temperature Monitor TSMC 7nm
- Ultra low power temperature sensor for X-FAB 350nm
- Temperature Sensor with Digital Output (High accuracy thermal sensing for reliability and optimisation), TSMC N7
- Thermal Diode for fast and coarse temperature measurement
- Temperature Sensor
- PVT - Process, Voltage, and Temperature Monitor - TSMC 16nm