You are here:
10-Bit 64MHz 1.2V 1.9mW delta-sigma ADC, CMOS 130nm
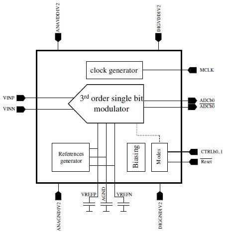
The nSAD_ST130M_1V2_AD10b64M is a 64MS/s, 9.9 ENOB, power efficient Sigma Delta ADC designed on the ST 130 M technology. Built around a fully-differential 3rd-order single-bit low-pass modulator, it consumes 1.9mW on silicon, reaching an energy efficiency of 31fJ/conversion-step.
查看 10-Bit 64MHz 1.2V 1.9mW delta-sigma ADC, CMOS 130nm 详细介绍:
- 查看 10-Bit 64MHz 1.2V 1.9mW delta-sigma ADC, CMOS 130nm 完整数据手册
- 联系 10-Bit 64MHz 1.2V 1.9mW delta-sigma ADC, CMOS 130nm 供应商
Block Diagram of the 10-Bit 64MHz 1.2V 1.9mW delta-sigma ADC, CMOS 130nm

10-Bit Delta-Sigma ADC in 130nm IP
- 16 to 10 bit 32MSPS Delta-Sigma ADC
- 16bit 100Ksps Sigma Delta ADC in 130nm~22nm
- 16-bit Sigma Delta ADC
- A/D Converter IP, 10 bits, 1Msps, with 8-to-1 input MUX, UMC 0.13um LL/FSG process
- A/D Converter IP, 10 bits, 1Msps, UMC 0.13um LL/FSG process
- D/A Converter IP, 10 bits, 80Msps, UMC 0.13um SP/FSG process